Wenn der Strom fließt ist es

ELEKTRIK

Solarenergie Defender Camper

Batterie & Co

Für die Versorgung mit ausreichend Energie haben wir uns für ein maximal variables Setup aus: Laden während der Fahrt, Solarladen während autarkem Stehen sowie Laden via Landstrom entschieden. Wir haben uns im Vorfeld genau über die benötigten Komponenten sowie Vor- und Nachteile erkundigt.

Bei der Batterietechnik haben wir ein hochwertiges Setup aus 100Ah Bleisäure Starterbatterie und einer 100Ah Lithium Eisenphosphat Batterie verbaut. Den deutlich teureren Preis der Lithiumbatterie haben wir durch Kompensation von Gewicht und Platz gerne in Kauf genommen.

Ladeelektronik und Batterie Sitzkiste Defender

Batterietechnik

 

Wattstunde LiFePo4 100Ah Batterie
2*100Ah
Votronic VCC 1212-30 Ladebooster

Votronic VCC 1212-30

 
 
 
Im Vergleich zu herkömmlichen Bleisäure Akkus (normal, AGM, Solar) hat die Lithiumeisenphosphat Batterie klare Vorteile was die Ladegeschwindigkeit und die Langlebigkeit betrifft. Dieser Akkutyp kann mit einem Notebookakku verglichen werden und ist speziell dazu ausgelegt bis auf nahezu 0% seiner Kapazität entladen zu werden. Dies erfolgt ohne nachhaltige Schädigung des Akku. Auch ein Zwischenladen des Akku, also nicht auf 100%, schädigt diesen nicht.
Der Energienutzungsgrad eines Ladezyklus einer LiFePo4-Batterie (Lithium-Ionen-Akku) liegt bei 92 %.
 
Warum eine LiFePo4?
  • passt als Zweitbatterie unter den Fahrersitz
  • deutlich kleiner als vergleichbare Standardbatterie mit gleichen Ah
  • 75% Gewichtsersparnis
  • hohe Zyklenfestigkeit
  • geringe Selbstentladung
Was bringt ein Ladebooster?
 
Ein Ladebooster ist dazu da die korrekte Ladespannung für den Ladevorgang einer LiFePo4 über die Lichtmaschine bereitzustellen. Mit Hilfe des speziellen Ladeprogramms könnt ihr eure Batterie während der Fahrt schonend und immer mit der korrekten Spannung aufladen. Über einen extra Temperaturfühler wird der Zustand der Batterie beim Vortronic VCC 1212-30 ständig überwacht. Mit Hilfe von Jumpern wird der Batterietyp ausgewählt.
 

Ganz unter dem Motto Safety first haben wir die Planung der Elektroinstallation durchgeführt. Wichtig ist hierbei vor allem, dass ihr euch im Vorfeld Gedanken macht welche Leitungsquerschnitte und Sicherungen verbaut werden müssen

 Prinzipiell gilt dass immer die Plusleitung abgesichert wird.

 Wir haben euch unseren Schaltplan hier zum Download abgelegt:

Elektroschaltplan

 


Defender Kotflügelanschluss mobiles Solarpanel

SOLAR

Für eine gesicherte Energieversorgung während des Campings ohne Primärenergieeinsatz haben wir insgesamt 195Wh Solarmodule im Einsatz. Da uns der Standort Deutschland für unsere Produkte wichtig ist, haben wir nach einem Anbieter aus Deutschland gesucht und sind bei der Firma Wattstunde fündig geworden.

Die Module setzen sich aus einem mobilen und flexiblen 100Wh Solarkoffer sowie einem flexiblen 95Wh Panel zusammen.

 Besonders an unserem Setup ist, dass wir die ersten sind die einen Außenanschluss in den Kotflügel des Defender gesetzt haben zum Anschluss des mobilen Solarpanels. Hierbei haben wir die vorhandene Plastikabdeckung benutzt.

 Unter der Abdeckung sitzt zusätzlich eine IP68 Verteilerdose, welche mit Sikaflex direkt auf das Radgehäuse geklebt ist. Hier haben wir beide Panels in Reihe miteinander geschaltet, mit Hilfe von Wago Klemmen ist dies schnell erledigt.

App zur Überwachung Solarstrom

KOMPONENTEN

 

WATTSTUNDE® 100W Solarkoffer ULTRA LIGHT Mobiles Panel
WATTSTUNDE® 100W Solarkoffer ULTRA LIGHT
Unterflur Panel WATTSTUNDE® WS95EFX
WATTSTUNDE® WS95EFX
Solarladeregler Victron SmartSolar 100/20 MPPT
Victron SmartSolar 100/20 MPPT
 

Wie nutze ich den Unterspannungsschutz?

 
Bei der Nutzung des Solarladereglers von Victron haben wir alle Verbraucher, bis auf die Standheizung, an den Lastausgang "Load" des Ladereglers angeschlossen. Dies hat den Vorteil, dass ihr euch keinen zusätzlichen Spannungswächter verbauen müsst und der tägliche Verbrauch über die Victron App dokumentiert werden kann. Außerdem seht ihr direkt wieviel Strom ihr aus der Batterie entnehmt und wie hoch die Batteriespannung ist.
 

Was ist mit der Standheizung?

Die Standheizung von Webasto hat während des Anlaufs eine höhere Stromaufnahme als die im Laderegler maximal erlaubten 20A. Hintergrund ist dass der Glühstift für den Zündvorgang aufgeheizt wird.

Dies hat zur Folge, dass bei einem jeden Einschaltvorgang der Heizung der Spannungswächter den Stromkreis trennt und die Heizung nicht starten kann. Als Lösung hierzu bleibt nur die Standheizung direkt an die Bordbatterie anzuschließen, siehe hierzu auch in unserem Schaltplan.
 
 
 

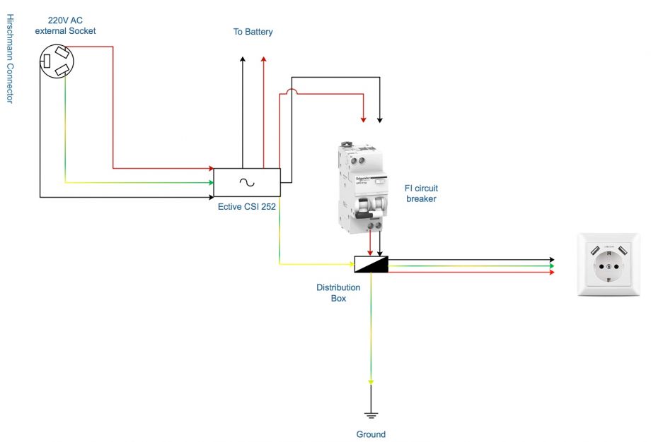
Schaltbild FI-Schutzschaltung Defender Camper

230V & LANDSTROM

So mancher Verbraucher möchte dann doch mit Wechselstrom und 230V versorgt werden um zu erwachen oder aber geladen zu werden. Um den Energiehunger von Laptop, Drohne und Küchenzubehör zu decken ist ein Ective 2500W Sinuskonverter verbaut.

Unser Konverter bietet neben einer sogenannten Netzvorrangschaltung, also Betrieb des Konverter über Landstrom anstatt Wandlung aus der Batterie, auch ein Ladeprogramm für die Batterie.

Das Ladeprogramm für die Batterie nehmen wir dankend an und können damit eine einfache Pflege der Bleibatterie im Winter betreiben.

 Für den Anschluss von Landstrom haben wir anstatt einer platzraubenden CEE Steckdose eine wasserdichte Steckverbindung von Hirschmann verbaut.

KOMPONENTEN

Stromanschluss
Hirschmann 934-124-100
Sinus Converter
ECTIVE CSI252
FI-Schutzschalter
Schneider Electric FI-LS-Kombination 16A/0,03A
 

FI-Schutzschaltung


Safety First und darum haben wir auch einen FI verbaut der uns bei einem Defekt eines Gerätes oder Kabels das Leben rettet. Der kleine Schalter ist direkt in den Stromkreis zu unseren Steckdosen integriert. Die Zuleitung zur Steckdose des Spannungswandler haben wir aufgetrennt und eine zusätzliche kleine Verteilerdose gesetzt. In dieser Verteilerdose haben wir die Erdung sowie die Plus und Minuspole mit Wago-Klemmen zusammengeführt.

Die Erdung haben wir mit 2,5mm² und einem Kabelschuh direkt an eine blanke Stelle am Fahrzeug angeschraubt, hierzu bieten sich z.B. die Verschraubungen der B-Säule an. Der Erdungsanschluss am Gehäuse des Spannungswandlers ist gebrückt und muss nicht nochmals gesondert angeschlossen werden.

 Der Anschluss des FI ist denkbar einfach, ihr schließt einfach die Kabel die von den Steckdosen kommen auf der einen Seite an und den Stecker welcher in den Spannungswandler geht auf der gegenüberliegenden. Ob ihr alles richtig gemacht habt könnt ihr testen indem ihr das System anschaltet und den FI-Testschalter betätigt, löst dieser aus habt ihr alles erfolgreich angeschlossen.

Den Anschlussplan könnt ihr euch auch hier downloaden.

Fragen und Antworten

Würdet ihr wieder eine LiFePo4 verbauen?

Wir würden auf jeden Fall wieder eine LiFePo4 verbauen wenn wir das Geld dazu haben. Die Schaltung und Überwachung per Bluetooth hat sich absolut bewährt. Wir machen uns um eine leere Batterie wesentlich weniger Sorgen als mit einer Bleibatterie. Das Aufladen der Batterie erfolgt ebenfalls schneller als bei einer vergleichbaren AGM/Solar Batterie.

Wie viel Watt sollte mein Spannungswandler haben?

Wir sind so vorgegangen, dass wir unsere Geräte aufgelistet haben die wir auf jeden Fall mit auf die Reise nehmen werden. In einer Übersicht haben wir dann schnell die einzelnen Wattzahlen ermittelt und basierend auf dem größten Verbraucher ausgewählt. Als Faustregel haben wir die max. Wattzahl mit einem Sicherheitsfaktor 1,3 belegt, somit kann der Inverter 30% mehr Dauerleistung als wir benötigen.

Brauche ich einen Sinus Inverter?

Wie der Titel eigentlich schon beschreibt erzeugt dieser Inverter eine echte Sinuskurve, wie diese aus der Steckdose zu Hause kommt. Viele Geräte wie z.B. Laptops, Küchengeräten etc. benötigen zur einwandfreien Funktion eine solche. Falls ihr aber nur das Handy oder aber Kamerabatterie laden möchtet reicht auch ein günstiger 12V Inverter mit Rechtecksignal oder aber USB Ladegeräte. Wir sind voll zufrieden mit unserem Sinus Inverter.

12V und 230V Kabel im Fahrzeug?

Prinzipiell spricht nichts gegen die Verlegung von 230V Stromkabeln im Camper, aber ihr müsst euch zu eurer eigenen Sicherheit an die Richtlinien gemäß VDE DIN 0100-721 halten.Wir haben immer Camper Wellrohr verlegt um ein Scheuern der Kabel an Karosserie oder Möbeln zu verhindern. Außerdem sind 12V und 230V Leitungen strickt voneinander getrennt in Wellrohren verlegt.

Welcher Kabeltyp für 230V im Camper?

Die Auswahl des richtigen Kabels ist ebenfalls in der DIN beschrieben. Wir haben H07 RN-F Kabel mit 1,5mm2 verlegt. Wichtig ist dass es sich um ein flexibles Kabel mit einer ausreichend dicken Ummantelung handelt.

Benötigt man einen doppelten FI?

Wir haben den Ort des höheren Risiko abgesichert, also die Steckdosen im Fahrzeug. Auf unserem FI Schaltplan ist das auch zu sehen. Im Normalfall hat jede Landstromsteckdose einen eigenen FI.

Falls ihr weitere Fragen habt dann kontaktiert uns gerne.

Wir nutzen Cookies auf unserer Website. Einige von ihnen sind essenziell für den Betrieb der Seite, während andere uns helfen, diese Website und die Nutzererfahrung zu verbessern (Tracking Cookies). Sie können selbst entscheiden, ob Sie die Cookies zulassen möchten. Bitte beachten Sie, dass bei einer Ablehnung womöglich nicht mehr alle Funktionalitäten wie z.B. die Bilder auf der Seite zur Verfügung stehen.
X

Right Click

No right click